Электродвигатели Siemens типа 1LA9

Работа электродвигателя и другие особенности модели Siemens 1LA9: агрегаты с повышенной мощностью,производятся мощностью от 0,14 до 24,5 кВт, габаритами с 56 по 160. Данный тип оборудования относится к агрегатам высокой мощности, выполненным в надежном алюминиевом корпусе. К достоинствам электродвигателей относится не только фактор экономии электроэнергии, но и длительный срок эксплуатации, низкие шумовые показатели при работе, повышенная перегрузочная способность и улучшенный принцип системы охлаждения. Все эти моменты позволили пользователям получать КПД электродвигателей на 1,5-42% выше, чем ожидалось. Технологические разработки Siemens гарантируют бесперебойность и беспроблемность работы оборудования.
Цена: от 4 330 руб.
Общее описание:

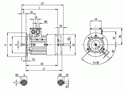
РИС 1. Габаритные и присоединительные размеры электродвигателя 1LA9 с 56 по 90 габарит (IMB3-лапы)
| Н | ТИП | A | AA | AB | AC | B | B1 | BB | C | CA | CA1 | HA | HD | HF | K | KA |
|---|---|---|---|---|---|---|---|---|---|---|---|---|---|---|---|---|
|
56M |
1LA9050 |
90 |
25 |
110 |
116 |
71 |
- |
87 |
36 |
53 |
- |
56 |
6 |
157 |
77.5 |
9 |
|
63M |
1LA9060 |
100 |
27 |
120 |
118 |
80 |
- |
96 |
40 |
66 |
- |
63 |
7 |
164 |
77.5 |
10 |
|
63M |
1LA9063 |
92 |
- |
|||||||||||||
|
71M |
1LA9070 |
112 |
30.5 |
132 |
139 |
90 |
- |
106 |
45 |
83 |
- |
71 |
7 |
182 |
87.5 |
10 |
|
80M |
1LA9080 |
125 |
30.5 |
150 |
156.5 |
100 |
- |
118 |
50 |
94 |
- |
80 |
8 |
200 |
96.5 |
3.5 |
|
80M |
1LA9083 |
136.5 |
- |
|||||||||||||
|
90S |
1LA9090 |
140 |
30.5 |
165 |
173.6 |
100 |
125 |
143 |
56 |
143 |
118 |
90 |
10 |
218 |
104.5 |
14 |
|
90L |
1LA9096 |
186 |
161 |
|||||||||||||
|
90L |
1LA9099-8 |
186 |
161 |
ТАБЛИЦА 1.
| Н | ТИП | L | LC | LD | LG | LK | W1/W2 W2 | D | DA | E | EA | F | FA | G | GB | GD | GF |
|---|---|---|---|---|---|---|---|---|---|---|---|---|---|---|---|---|---|
|
56M |
1LA9050 |
169.5 |
200 |
69.5 |
75 |
32 |
M16/M25 |
9 |
9 |
20 |
20 |
3 |
3 |
7.2 |
7.2 |
3 |
3 |
|
63M |
1LA9060 |
202.5 |
232 |
69.5 |
75 |
32 |
M16/M25 |
11 |
11 |
23 |
23 |
4 |
4 |
8.5 |
8.5 |
4 |
4 |
|
63M |
1LA9063 |
228.5 |
258 |
||||||||||||||
|
71M |
1LA9070 |
240 |
278 |
63.5 |
75 |
32 |
M16/M25 |
14 |
14 |
30 |
30 |
5 |
5 |
11 |
11 |
5 |
5 |
|
80M |
1LA9080 |
273.5 |
324 |
63.5 |
75 |
32 |
M16/M25 |
19 |
19 |
40 |
40 |
6 |
6 |
15.5 |
15.5 |
6 |
6 |
|
80M |
1LA9083 |
315 |
366.5 |
||||||||||||||
|
90S |
1LA9090 |
331 |
389 |
79 |
75 |
32 |
M16/M25 |
24 |
19 |
50 |
50 |
8 |
6 |
20 |
15.5 |
7 |
6 |
|
90L |
1LA9096 |
374 |
432 |
||||||||||||||
|
90L |
1LA9099-8 |
374 |
432 |
ТАБЛИЦА 2.

| ТИП | Типоразмер | AC | HF | HG | L | LA | LB | LC | LD | LF | LG | LK | M | N | |
|---|---|---|---|---|---|---|---|---|---|---|---|---|---|---|---|
|
1LA905 |
56M |
FF110 |
116 |
77.5 |
101 |
169 |
8 |
149 |
200 |
69.5 |
- |
75 |
32 |
100 |
80 |
|
1LA9060 |
63M |
FF115
|
118 |
77.5 |
101 |
202.5 |
8 |
179.5 |
232 |
69.5 |
208.5 |
75 |
32 |
115 |
95 |
|
1LA9063 |
63M |
228.5 |
205.5 |
258 |
234.5 |
||||||||||
|
1LA9070 |
71M |
FF130 |
139 |
87.5 |
111 |
240 |
9 |
210 |
278 |
63.5 |
239 |
75 |
32 |
130 |
110 |
|
1LA9080 |
80M |
FF165 |
156.5 |
96.5 |
120 |
273.5 |
10 |
233.5 |
324 |
63.5 |
262.5 |
75 |
32 |
165 |
130 |
|
1LA9083 |
80M |
316 |
276 |
366.5 |
305 |
||||||||||
|
1LA9090 |
90S |
FF165 |
173.6 |
104.5 |
128 |
331 |
10 |
281 |
389 |
79 |
333 |
75 |
32 |
165 |
130 |
|
1LA9096 |
90L |
374 |
324 |
432 |
376 |
||||||||||
|
1LA9099-8 |
90L |
374 |
324 |
432 |
376 |
||||||||||
ТАБЛИЦА 3.
| ТИП | Н | P | S | T | W1/W2 W2 | D | DA | E | EA | F | FA | G | GB | GD | GF |
|---|---|---|---|---|---|---|---|---|---|---|---|---|---|---|---|
|
1LA905 |
56M |
120 |
7 |
3 |
M16/M25 |
9 |
9 |
20 |
20 |
3 |
3 |
7.2 |
7.2 |
3 |
3 |
|
1LA9060 |
63M |
140 |
10 |
3 |
M16/M25 |
11 |
11 |
23 |
23 |
4 |
4 |
8.5 |
8.5 |
4 |
4 |
|
1LA9063 |
63M |
||||||||||||||
|
1LA9070 |
71M |
160 |
10 |
3.5 |
M16/M25 |
14 |
14 |
30 |
30 |
5 |
5 |
11 |
11 |
5 |
5 |
|
1LA9080 |
80M |
200 |
12 |
3.5 |
M16/M25 |
19 |
19 |
40 |
40 |
6 |
6 |
15.5 |
15.5 |
6 |
6 |
|
1LA9083 |
80M |
||||||||||||||
|
1LA9090 |
90S |
200 |
12 |
3.5 |
M16/M25 |
24 |
19 |
50 |
40 |
8 |
6 |
20 |
15.5 |
7 |
6 |
|
1LA9096 |
90L |
||||||||||||||
|
1LA9099-8 |
90L |
ТАБЛИЦА 4.

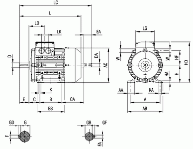
РИС 3. Габаритные и присоединительные размеры электродвигателя 1LA9 с 100 по 160 габарит (IMB3-лапы)
| Н | ТИП | A | AA | AB | AC | B | BB | C | CA | D | DA | H | HA | HD | HF | K | KA |
|---|---|---|---|---|---|---|---|---|---|---|---|---|---|---|---|---|---|
|
100L |
1LA910 |
160 |
42 |
196 |
196 |
140 |
176 |
63 |
178 |
28 |
24 |
100 |
12 |
235 |
78 |
12 |
16 |
|
112M |
1LA9113 |
190 |
46 |
226 |
220 |
140 |
176 |
70 |
179 179 141 |
28 |
24 |
112 |
12 |
260 |
91 |
12 |
16 |
|
112M |
1LA9115-2 |
||||||||||||||||
|
112M |
1LA9115-6.-8 |
||||||||||||||||
|
132S |
1LA9130 |
216 |
53 |
256 |
259 |
140 178 140 178 178 |
180 218 180 218 218 |
89 |
163 125 205 167 167 |
38 |
38 |
132 |
15 |
299 |
107 |
12 |
16 |
|
132M |
1LA9135-8 |
||||||||||||||||
|
132S |
1LA9131 |
||||||||||||||||
|
132M |
1LA9133 |
||||||||||||||||
|
132M |
1LA9135-2.-4 |
||||||||||||||||
|
160M |
1LA9163 |
254 |
60 |
300 |
314 |
210 210 254 |
256 256 300 |
108 |
183 183 179 |
42 |
42 |
160 |
18 |
357 |
127 |
12 |
19 |
|
160M |
1LA9164 |
||||||||||||||||
|
160L |
1LA166 |
ТАБЛИЦА 5.
| Н | ТИП | L | LC | LD | LG | LK | W W2 | E | EA | F | FA | G | GB | GD | GF |
|---|---|---|---|---|---|---|---|---|---|---|---|---|---|---|---|
|
100L |
1LA910 |
425 |
491 |
102 |
120 |
42 |
32.3 |
60 |
50 |
8 |
8 |
24 |
20 |
7 |
7 |
|
112M 112M 112M |
1LA9113 1LA9115-2 1LA9115-6.-8 |
431 431 393 |
499
461 |
102 |
120 |
42 |
32.3 PRO M32 |
60 |
50 |
8 |
8 |
24 |
20 |
7 |
7 |
|
132S 132M 132S 132M 132M |
1LA9130 1LA9135-8 1LA9131 1LA9133 1LA9135-2.-4
|
454 454 496 496 496 |
552
594 594 594 |
18 |
140 |
42 |
32.3 PRO M32 |
80 |
80 |
10 |
10 |
33 |
33 |
8 |
8 |
|
160M 160M 160L |
1LA9163 1LA9164 1LA166 |
588 588 628 |
721
761 |
160.5 |
165 |
54 |
40.3 PRO M40 |
110 |
110 |
12 |
12 |
37 |
37 |
8 |
8 |
ТАБЛИЦА 6.

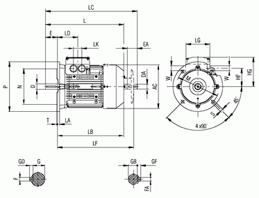
РИС 4. Габаритные и присоединительные размеры электродвигателя 1LA9 с 100 по 160 габарит (IMB5-фланец)
| ТИП | Типоразмер | AC | HF | HG | L | LA | LB | LC | LD | LF | LG | LK | M | N | |
|---|---|---|---|---|---|---|---|---|---|---|---|---|---|---|---|
|
100L |
1LA910 |
FF215 |
196 |
78 |
135 |
425 |
11 |
365 |
491 |
102 |
416 |
120 |
42 |
215 |
180 |
|
112M 112M 112M |
1LA9113 1LA9115-2 1LA9115-6.-8 |
FF215 |
219.5 |
91 |
148 |
431 431 393 |
11 |
371 371 333 |
499
461 |
102 |
423 423 385 |
120 |
42 |
215 |
180 |
|
132S 132M 132S 132M 132M |
1LA9130 1LA9135-8 1LA9131 1LA133 1LA9135-2.-4 |
FF265 |
259 |
107 |
167 |
454 454 496 496 496 |
12 |
374 374 416 416 416 |
552
594 594 594 |
128 |
426 426 468 468 468 |
140 |
42 |
265 |
230 |
|
160M 160M 160M
|
1LA9163 1LA9164 1LA9166 |
FF300 |
314 |
127 |
197 |
588 588 628 |
13 |
478 478 518 |
721
761 |
160.5 |
531 531 571 |
165 |
54 |
300 |
250 |
ТАБЛИЦА 7.
| ТИП | Н | P | S | T | W W2 | D | DA | E | EA | F | FA | G | GB | GD | GF |
|---|---|---|---|---|---|---|---|---|---|---|---|---|---|---|---|
|
1LA910 |
100L |
250 |
14.5 |
4 |
32.3 |
28 |
24 |
60 |
50 |
8 |
8 |
24 |
20 |
7 |
7 |
|
1LA9113 1LA9115-2 1LA9115-6.-8 |
112M 112M 112M |
250 |
14.5 |
4 |
32.3 32.3 Pro M32 |
28 |
24 |
60 |
50 |
8 |
8 |
24 |
20 |
7 |
7 |
|
1LA9130 1LA9135-8 1LA9131 1LA9133 1LA9135-2.-4 |
132S 132M 132S 132M 132M |
300 |
14.5 |
4 |
32.3 32.3 32.3 32.3 Pro M32 |
38 |
38 |
80 |
80 |
10 |
10 |
33 |
33 |
8 |
8 |
|
1LA9163 1LA9164 1LA9166 |
160M 160M 160L |
350 |
18.5 |
5 |
40.3 40.3 Pro M40 |
42 |
42 |
110 |
110 |
12 |
12 |
37 |
37 |
8 |
8 |
ТАБЛИЦА 8.

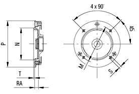
РИС 5. Размеры для габарита 56-80 (IMB14 - меньший)
| Типоразмер | M | N | P | RA | S | T | Z | |
|---|---|---|---|---|---|---|---|---|
|
56 |
FT65 |
65 |
50 |
80 |
46 |
M5 |
2.5 |
4 |
|
63 |
FT75 |
75 |
60 |
90 |
14 |
M5 |
2.5 |
4 |
|
71 |
FT85 |
85 |
70 |
105 |
16 |
M6 |
2.5 |
4 |
|
80 |
FT100 |
100 |
80 |
120 |
16 |
M6 |
3 |
4 |
ТАБЛИЦА 9.

РИС 6. Размеры для габарита 56-80 (IMB14 - больший)
| Типоразмер | M | N | P | RA | S | T | Z | |
|---|---|---|---|---|---|---|---|---|
|
56 |
FT85 |
85 |
70 |
105 |
16 |
M6 |
2.5 |
4 |
|
63 |
FT100 |
100 |
80 |
120 |
16 |
M6 |
3 |
4 |
|
71 |
FT115 |
115 |
95 |
140 |
16 |
M8 |
3 |
4 |
|
80 |
FT130 |
130 |
110 |
160 |
16 |
M8 |
3,5 |
4 |
ТАБЛИЦА 10.

РИС 7. Размеры для габарита 90-100 (IMB14 - меньший)
| Типоразмер | M | N | P | RA | S | T | Z | |
|---|---|---|---|---|---|---|---|---|
|
90 |
FT115 |
115 |
95 |
140 |
21 |
M8 |
3 |
4 |
|
100 |
FT130 |
130 |
110 |
160 |
20 |
M8 |
3.5 |
4 |
ТАБЛИЦА 11.

РИС 8. Размеры для габарита 90-100 (IMB14 - больший)
| Типоразмер | M | N | P | RA | S | T | Z | |
|---|---|---|---|---|---|---|---|---|
|
90 |
FT130 |
130 |
110 |
160 |
22 |
M8 |
3.5 |
4 |
|
100 |
FT165 |
165 |
130 |
200 |
- |
M10 |
3.5 |
4 |
ТАБЛИЦА 12.

РИС 9. Размеры для габарита 112-160 (IMB14 - меньший)
| Типоразмер | M | N | P | RA | S | T | Z | |
|---|---|---|---|---|---|---|---|---|
|
112 |
FT130 |
130 |
110 |
160 |
20 |
M8 |
3.5 |
4 |
|
132 |
FT165 |
165 |
130 |
200 |
24 |
M10 |
3.5 |
4 |
|
160 |
- |
- |
- |
- |
- |
- |
- |
- |
ТАБЛИЦA 13
А 14.
РИС 10. Размеры для габарита 112-160 (IMB14 - больший)
| Типоразмер | M | N | P | RA | S | T | |
|---|---|---|---|---|---|---|---|
|
112 |
FT165 |
165 |
130 |
200 |
20 |
M10 |
3.5 |
|
132 |
- |
- |
- |
- |
- |
- |
- |
|
160 |
- |
- |
- |
- |
- |
- |
- |
ТАБЛИЦА 14.