info@mehprivod.ru
ООО Мехтехника
Тел.: 8 (800) 505-36-88

Редуктор червячный одноступенчатый 1Ч-63А

Редуктор червячный одноступенчатый 1Ч-63А

Редуктор 1Ч-63А червячный используется для изменения показателей угловой скорости и непосредственно момента двигателя через червячную передачу, которая расположена внутри механизма. Универсальная конструкция и принцип действия редуктора делает его оборудованием, относящимся к общепромышленному классу. От конкретного типоразмера червячного редуктора зависит показатель номинального крутящего момента, габариты и масса. Используется в условиях постоянной и переменной нагрузки. Вращение валов может осуществляться в любую сторону без предпочтения какой-либо одной. К особенностям червячного редуктора относится его невзрывоопасность и эффективность использования в неагрессивных средах.

Цена: от 6 900 руб.

Скачать прайс:

Скачать прайс на червячные редукторы: xls zip

УСЛОВИЯ ПРИМЕНЕНИЯ РЕДУКТОРОВ:

  • нагрузка постоянная и переменная одного направления и реверсивная;
  • работа постоянная и с периодическими остановками;
  • вращение валов в любую сторону;
  • температура внешней среды от - 40°С до + 50°С; внешняя среда — неагрессивная, невзрывоопасен.

Общее описание:

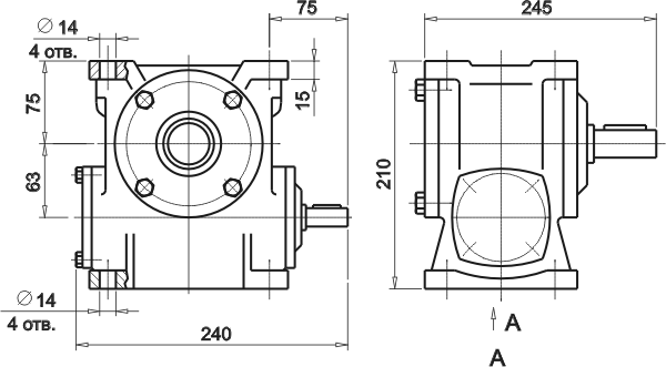
Габаритные и присоединительные размеры 1Ч-63А

Габаритные и присоединительные размеры 1Ч-63А

Габаритные и присоединительные размеры 1Ч-63А

РИС 1. Габаритные и присоединительные размеры

Технические характеристики

Частота вращения входного вала, об/мин Режим работы редуктора Допускаемый крутящий момент на выходном валу,  Н . м 
при номинальных передаточных числах
8,0 10,0 12,5 16,0 20,0 25,0 31,5 40,0 50,0 63,0 80,0
1500 ПВ>63% 130 130 120 130 130 120 130 130 125 110 105
ПВ=63% 140 125 125 150 132 125 170 160 132 106 100
ПВ=40% 160 132 132 160 140 132 200 170 140 106 100
ПВ=25% 160 140 132 180 140 132 200 180 150 112 106
ПВ=16% 170 150 132 190 150 140 200 190 150 112 106
1000 ПВ>63% 145 145 140 145 145 140 145 145 140 120 115
ПВ=63% 160 140 140 170 150 140 100 180 150 120 110
ПВ=40% 180 150 150 180 160 150 200 190 160 120 110
ПВ=25% 180 160 150 200 160 150 210 200 170 125 120
ПВ=16% 190 170 150 210 170 160 220 210 170 125 120
750 ПВ>63% 160 160 155 160 160 155 160 160 150 135 130
ПВ=63% 180 180 160 190 170 160 220 210 170 130 130
ПВ=40% 210 170 170 210 180 170 240 220 180 130 130
ПВ=25% 210 180 170 240 180 170 250 240 190 140 140
ПВ=16% 220 190 170 250 190 180 260 250 190 140 140

Частота вращения входного вала, об/мин Коэффициент полезного действия, %
при номинальных передаточных числах
8,0 10,0 12,5 16,0 20,0 25,0 31,5 40,0 50,0 63,0 80,0
1500 89 88 87 84 83 81 74 73 68 62 60
1000 88 87 86 82 81 79 71 69 65 59 57
750 87 86 85 82 80 78 69 67 63 56 54

Допускаемая радиальная консольная нагрузка на выходном валу
при вариантах сборки 51, 52 - 3000 Н при вариантах сборки 53, 56 - 1500 Н

Варианты сборки червячного редуктора

РИС2. Вариант сборки

Масса редуктора, кг

(в зависимости от варианта крепления и сборки)

Вариант крепления с алюминиевым корпусом с чугунным корпусом
при вариантах сборки
51; 52 53 56 51; 52 53 56
1 12,0 12,5 11,5 15,5 16,0 15,0
2 12,0 12,5 11,5 14,5 15,0 14,0
3; 4 12,0 12,5 11,5 14,5 15,0 14,0

Пример условного обозначения при заказе:

Редуктор 1Ч-63А-40-52, где:

  • 1Ч — редуктор червячный
  • 63 — межосевое расстояние, мм
  • 40 — номинально передаточное число
  • 52 — вариант сборки